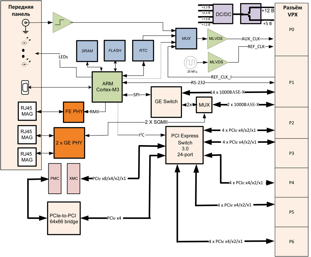
Модуль SVPS-200

Интерфейсы

Передняя панель:
  • 3 × Gigabit Ethernet
  • USB-UART (mini-USB)
  • 2 × Differential Signaling LVCMOS
Разъём VPX (P0):
  • REF_CLK
  • AUX_CLK
Разъём VPX (P1):
  • REF_CLK_I
  • RS-232
  • 16 × Gigabit Ethernet 1000BASE-X
Разъём VPX (P2):
  • 4 × PCI Express 3.0 x4/x2/x1
Разъём VPX (P3):
  • 4 × PCI Express 3.0 x4/x2/x1
Разъём VPX (P4):
  • 4 × PCI Express 3.0 x4/x2/x1
Разъём VPX (P5):
  • 4 × PCI Express 3.0 x4/x2/x1
Разъём VPX (P6):
  • 4 × PCI Express 3.0 x4/x2/x1
Разъёмы на плате модуля:
  • XMC
  • PMC

Технические характеристики

Коммутатор Gigabit Ethernet

  • Неблокируемая архитектура
  • 16 × 1000BASE-X на модули VPX и на разъёмы передней панели
  • Cветодиодная индикация состояния каналов Gigabit Ethernet

Коммутатор PCIe

  • Поддержка PCIe 1.0/2.0/3.0
  • До 4-x независимых доменов PCIe (хост устройств) (два могут быть связаны через непрозрачный мост)
  • Автоматический выбор ширины канала PCIe x4/x2/x1
  • 20 × PCIe x4 на модули VPX
  • 1 × PCIe x8 или 2 × x4 или 2 × x2 или 2 × x1 на модули XMC
  • Светодиодная индикация состояния каналов PCIe

Субмодули

  • Модуль PMC/XMC с шинами PCIe x8/x4/x2/x1 и PCI/PCI-X

Соответствие стандартам

  • ANSI/VITA 46.0-2013 VPX Base Standard
  • ANSI/VITA 65-2010 (R2012) OpenVPX System Standard

Разъёмы на передней панели

  • 1 × Mini-USB виртуального порта RS-232
  • 1 × RJ45 Fast Ethernet интерфейса управления
  • 2 × RJ45 для подключения внешних устройств к коммутатору Gigabit Ethernet
  • 1 × SMA внешнего тактового сигнала
  • Светодиодные индикаторы состояния модуля
  • Светодиодные индикаторы состояния каналов Gigabit Ethernet и PCIe

Разъём VPX

  • Разъём P0:
    • сигналы тактирования REF_CLK частотой 25 МГц;
    • сигналы тактирования AUX_CLK.
  • Разъём P1:
    • входного для тактового сигнала REF_CLK_I;
    • 16 × 1000BASE-X Gigabit Ethernet;
    • 1 × RS-232.
  • Разъём P2:
    • 4 × PCIe 1.0/2.0/3.0 x4/x2/x1.
  • Разъём P3:
    • 4 × PCIe 1.0/2.0/3.0 x4/x2/x1.
  • Разъём P4:
    • 4 × PCIe 1.0/2.0/3.0 x4/x2/x1.
  • Разъём P5:
    • 4 × PCIe 1.0/2.0/3.0 x4/x2/x1.
  • Разъём P6:
    • 4 × PCIe 1.0/2.0/3.0 x4/x2/x1.

Система мониторинга и управления

  • Микроконтроллер ARM Cortex-M3
  • Мониторинг температур, напряжений и токов на плате
  • Управление коммутатором Gigabit Ethernet
  • Управление коммутаторами PCIe
  • Связь с пользователем по интерфейсу RS-232 на передней панели или с разъёма VPX
  • Светодиодная индикация рабочего состояния модуля и ошибки на передней панели
  • Часы реального времени (RTC)
  • Сторожевой таймер

Система управления тактовыми сигналами

  • REF_CLK: 25 МГц ± 50 ppm
  • AUX_CLK через мультиплексор:
    • 1 МГц ± 50 ppm c термокомпенсацией c часов реального времени;
    • до 1 МГц LVTTL c разъёма SMA на передней панели;
    • до 1 МГц LVTTL c разъёма VPX P0;
    • с микроконтроллера ARM.

Энергопотребление

  • Потребляемая мощность системного коммутатора 27 Вт (без учета субмодулей XMC)
  • Распределение потребляемой мощности по линиям питания:
    • +12 В (VS1/VS2): до 4,2 А (50 Вт);
    • +5 В (VS3): до 10 А (50 Вт);
    • +3,3 В (3.3V_AUX): до 2 А (6,6 Вт).
  • Два режима электропитания:
    • распределения нагрузки между линиями питания +12 В и +5 В;
    • использование только линии питания +12 В.
  • Автоматический выбор питающего напряжения +5/+12 В
  • Питание системы мониторинга и управления от источника +3,3 В_AUX или от вторичного источника +3,3 В шин +5/+12 В
  • Защита от перенапряжения и по току

Условия эксплуатации

  • Охлаждение: воздушное
  • Диапазон рабочих температур: коммерческий (0...+50 °С) или индустриальный (−40...+85 °С)
  • Температура хранения: −40...+85 °С
  • Влажность: 10–95 % без конденсата
  • Возможность нанесения влагозащитного покрытия для жёстких условий

Размеры

  • Форм-фактор: VPX 6U
  • Ширина: 5HP
  • Размеры: 266 × 211 × 25,06 мм


Назад в раздел