Основные характеристики
- Два разъёма SFP на передней панели
- Поддержка скорости до
1 Гбит/с на каждом из портов - Поддержка установки оптического транспондера до
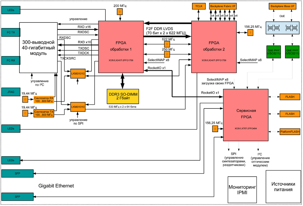
43 Гбит/с - Две FPGA обработки Xilinx
Virtex-6 серияLXT-240 - Одна служебная FPGA Xilinx
Virtex-6 серияLXT-75 - Модуль форм-фактора AdvancedTCA
- Возможность организации протокольных уровней Aurora или XAUI через интерфейс Fabric крейта
Описание
Особенности
Модуль выполнен в форм-факторе PICMG 3.0 (Rev 3.0) AdvancedTCA Base Specification
и построен на основе одномодового
Возможность переконфигурации FPGA обработки в системе через интерфейс Gigabit Ethernet обеспечивает гибкость программирования модуля при разработке приложений и в эксплуатации.
Области применения
Модуль SATCA-40G является многофункциональной каналообразующей аппаратурой оптических
транспортных сетей до скоростей

